Modding 6505+ to 6505 specs on a switch?

  • Thread starter Thread starter BesaMoogie
  • Start date Start date
BesaMoogie

BesaMoogie

Well-known member
Hi,
I recently was able to get my hands on a 6505+ and I already love the amp, although I was actually searching for an 6505. So I was thinking of modding the lead channel of the 6505+ to 6505 specs as the circuit only differs at two positions. I would prefer to have the mod switchable with a push pull DPDT pot to go back and forth.
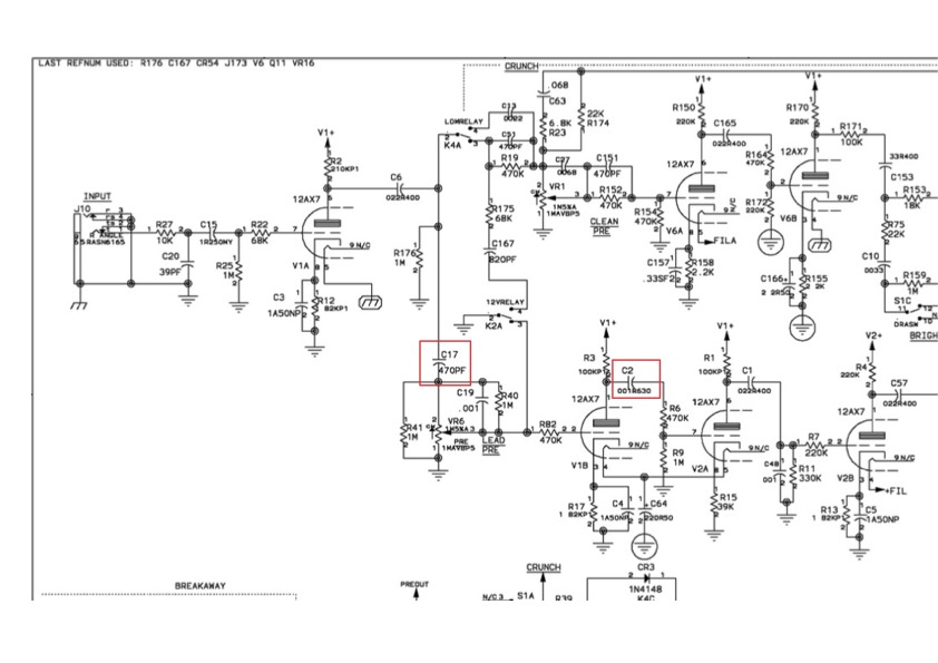
The two differences are basically two caps to get from 6505+ to 6505
C17 = 470pf ---> 2.2nF with 470K in parallel
C2 = 0.001uF ----> 0.022uF

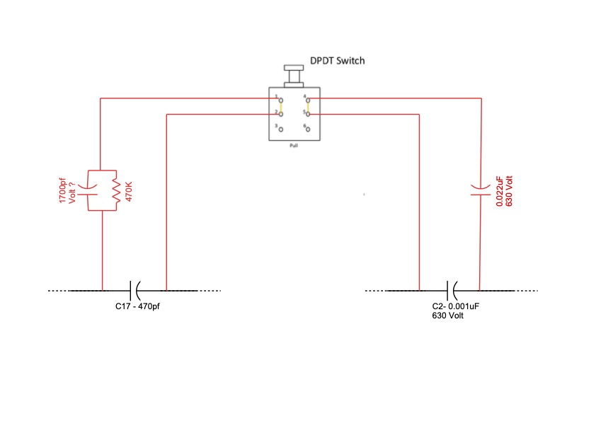
I was thinking of just hocking up in parallel:
1. a 1.7nF and 470K cap/res to C17 and
2. a 0.022uF a cap to C2
That way I should approx. get the desired values of the 6505 circuit (see picture of the mod).

But there`s one thing that boggles my mind. In the schematics, the C2 cap is a 630 volt cap. So the question is, if a DPDT push pull pot can handle the voltage when an additional cap is hocked up in parallel to C2 or not???
I was searching for the specs of push pull pots but was not able to find anything. Probably because those switches are usually used in guitars where low voltage is present.
Most DPDT toggle switches are usually rated at 250VAC and 3A, but then again, we are talking about VDC, not VAC here. I attached pics of the of the schematic and how I was thinking to do the mod. Maybe someone can help me out here?
Thanks!
 

Attachments

  • 6505+ Mod DPDT.jpg
    6505+ Mod DPDT.jpg
    29 KB · Views: 191
  • 6505+ Caps.jpg
    6505+ Caps.jpg
    85.5 KB · Views: 159
  • 5150_2.pdf
    5150_2.pdf
    1.9 MB · Views: 295
You’d get a massive, speaker blowing thump just changing the cap itself to one or the other.

It’s better to permanently install the 0.022 with a 0.001uF in series. When both are in series, you have only the 0.001uF. To make it back to just the 0.022uF, flip a switch that shorts out the 0.001uF so that AC effectively goes around it.

Connect a 2.2M ohm resistor to ground to one side of the 0.001uF at the switch to help eliminate pops.

You never want to switch high voltage. If the switch fails it could send 300VDC+ to you.

If you don’t know how to do this you likely shouldn’t be messing with the amp as the voltages inside are very dangerous even when unplugged and turned off. It’s even more dangerous when you start modifying it beyond it’s intended design.

Lastly if you do make this mod, twist the wires for the short across the 0.001uF cap tightly to prevent noise. Better yet to use shielded coax cable and ground one side of the shield to the chassis.
 
Thanks for the advice!
Still wrapping my head around how to possibly carry out your suggestion or if I even should do it. Like I said, I love the amp how it sounds, but on the other hand, I`ve never played a 6505 non plus version.

I usually take all the precautions when opening up amps like draining the caps etc, but my understanding of circuits is basic at best. Never thought of having the big thump on the speakers the way I was thinking of the solution. But at least the high voltage did concern me ? and I was thinking of using a shielded cable for the mod.
 
Just switch the new values in parallel with the existing ones.
So 470k//1.7n in parallel with the 470p, and 22n in parallel with the 1n. That's what my 6505+ has and there are no pops.
There is also the 560p in the tone stack which differs but imo there isnt any kind of tone difference to bother with. And yes - use shielded cables between components and switch.
 
Back
Top