Help me understand these 2204 kit voltages

  • Thread starter Thread starter jchrisf
  • Start date Start date
jchrisf

jchrisf

Well-known member
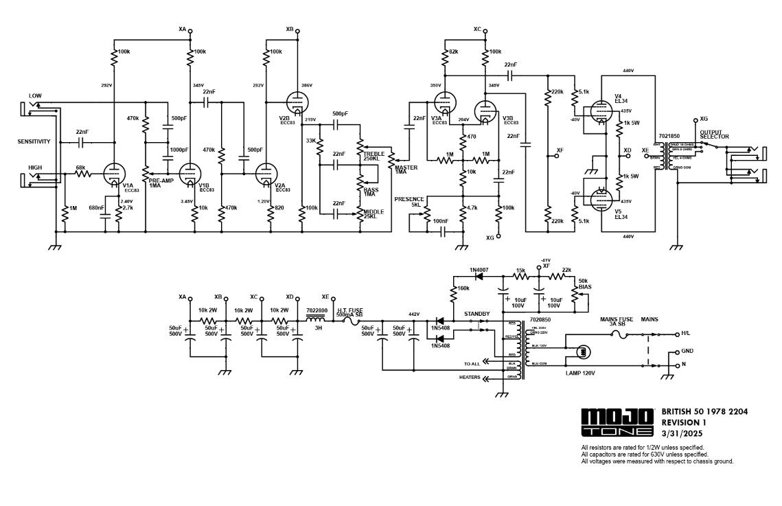
I recently finished my first build. It's the Mojotone Brit 50. It sounds great and is the nicest sounding amp I've ever played. But my voltages are not really close to what the schematic is showing.

I'll put what the schematic shows in parenthesis:
344 AC off the Power Transformer (not sure what it should be)
418 DC after the Rectifier (442)
416 Power Tube PIN3 (440)
418 Power Tube PIN4 (435)
225 V3 PIN 1 (350)
217 V3 PIN 6 (345)
175 V2 PIN 1 (282)
306 V2 PIN 6 (386)
222 V1 PIN 1 (345)
262 V1 PIN 6 (292)
3.09 V1 Cathode PIN 8 (2.4)
1.92 V1 Cathode PIN 3 (3.45)

My Heaters are showing 3.09 AC with chassis ground except V5 is 3.14.

I was concerned about this until I opened up my Ceriatone 2204 and measured those voltages. This amp is built by Ceriatone and the voltages in it are pretty much like mine. Since these voltages are close and the kit sounds so good I'm not worried about it.

But I am curious what would cause them to be off from the schematic? And if they were closer to the schematic, how different would it sound?
 
Tube rectifier or diodes?
If tube, which tube? GZ34?
 
Tube rectifier or diodes?
If tube, which tube? GZ34?
Diodes
Screenshot 2026-02-11 072926.png


Screenshot 2026-02-11 072800.png
 
That layout from MojoTone has a big mistake. The 2nd cap in the phase inverter section should be a .1uf not another .022uf.
Oh man.. I just ordered some parts yesterday for some mods but didn't get one of these. What difference will it make?
 
So are you measuring 344 volts ac off of each yellow wire from the standby switch to the diodes?
That would be 690 v AC across the transformer output, which should give you a B+ voltage of approximately 480 volts DC after the diodes.
I have no idea why your B+ is so low, and it could be any number of things causing it, but if the amp sounds good and works properly, then that's the name of the game.
If you were to raise the B+ voltages in your amp, the amp would get brighter and tighter and more aggressive.
Some of those old 2203's with the really high plate voltage ( my faves ) will rip your head off, but in the most glorious way possible. If that's not what you're after, then just enjoy your amp as is.
 
Yeah, I just measured them again. 346 and 691. 427v B+ now. I wouldn't mind getting 480v B+ just to compare the tones. But, it does sound really good. I did order a new HT Fuse Holder thinking I could be having issues there. I'll put it in when it arrives and hope it boosts my voltage.
 
1. Verify your AC Mains voltage is 120v.
2. Your transformer's secondaries are measuring 344-0-344. I don't know what transformer you're using, but ideally should be 350-0-350 for a 50W amp and yield a rectified B+ under load of about 475v.
3. If the amp sounds good, don't worry about it.
 
1. Verify your AC Mains voltage is 120v.
2. Your transformer's secondaries are measuring 344-0-344. I don't know what transformer you're using, but ideally should be 350-0-350 for a 50W amp and yield a rectified B+ under load of about 475v.
3. If the amp sounds good, don't worry about it.
It's this one by mojotone:
https://mojotone.com/products/briti...1&_fid=749220b92&_ss=c?variant=41689654362208

I'm hoping the fuse holder for the B+ is bad.. I've got another one coming from ValveStorm with some other parts to make some mods. I've thought the fuse holder was a little off from the beginning.

Some of Mojotone's parts are great and others are cheap. The Power Switch won't turn off so I've got a new one coming. I'm not sure I'd ever buy from them again.
 
It's this one by mojotone:
https://mojotone.com/products/briti...1&_fid=749220b92&_ss=c?variant=41689654362208

I'm hoping the fuse holder for the B+ is bad.. I've got another one coming from ValveStorm with some other parts to make some mods. I've thought the fuse holder was a little off from the beginning.

Some of Mojotone's parts are great and others are cheap. The Power Switch won't turn off so I've got a new one coming. I'm not sure I'd ever buy from them again.

Says that transformer should have 360v secondaries. So your voltages are very low and seem to be way out of spec at 344v. Verify your Mains voltage is actually 120v from the wall. If it is, and you're still reading 344v on the PT secondary, contact Mojo and request a new transformer. A 50W PT with 360v secondaries and 50W-style rectification should yield a B+ of 480v - 500v.

The heater voltage in Mojo's wiring diagram is also very weird. Heaters should be 6.3v. But Mojo says theirs is spec'd for 7v?
 
Says that transformer should have 360v secondaries. So your voltages are very low and seem to be way out of spec at 344v. Verify your Mains voltage is actually 120v from the wall. If it is, and you're still reading 344v on the PT secondary, contact Mojo and request a new transformer. A 50W PT with 360v secondaries and 50W-style rectification should yield a B+ of 480v - 500v.

The heater voltage in Mojo's wiring diagram is also very weird. Heaters should be 6.3v. But Mojo says theirs is spec'd for 7v?
My wall voltage is always around 121v. Should I test the transformer in the amp or out of it? I'm not sure how else to test it other than in the amp the way I have been doing.
 
My wall voltage is always around 121v. Should I test the transformer in the amp or out of it? I'm not sure how else to test it other than in the amp the way I have been doing.

In the amp is fine.
 
Says that transformer should have 360v secondaries. So your voltages are very low and seem to be way out of spec at 344v. Verify your Mains voltage is actually 120v from the wall. If it is, and you're still reading 344v on the PT secondary, contact Mojo and request a new transformer. A 50W PT with 360v secondaries and 50W-style rectification should yield a B+ of 480v - 500v.

The heater voltage in Mojo's wiring diagram is also very weird. Heaters should be 6.3v. But Mojo says theirs is spec'd for 7v?
Yeah, this.
Something is messed up here.
I'm suspicious about that transformer as well.
If you have the 120v AC input from the wall connected to blue and black, with AC black (hot) connected to black, and AC white ( neutral ) connected to blue, then what you are seeing is not what I would expect.
And you have the AC input fuse on the AC black leg, right?
Also, just to make sure, are the yellow and orange leads on the input side of the transformer both isolated and taped off / tie wrapped and out of the picture?
 
Yeah, this.
Something is messed up here.
I'm suspicious about that transformer as well.
If you have the 120v AC input from the wall connected to blue and black, with AC black (hot) connected to black, and AC white ( neutral ) connected to blue, then what you are seeing is not what I would expect.
And you have the AC input fuse on the AC black leg, right?
Also, just to make sure, are the yellow and orange leads on the input side of the transformer both isolated and taped off / tie wrapped and out of the picture?
Yeah, I have it connected just like the wiring diagram. I've also separately heat-shrinked the yellow and orange leads and stowed them out of the way. I hope to have the new fuse holder in for the 500mA HT connection tonight.. then I'll remeasure it. If that doesn't do it I'll call Mojotone. I bought this kit 2 years ago and only just built it so hopefully they will work with me. I am also going to put in a new, working power switch. I have it out now so the blue/black leads are disconnected at the moment. Is there anything I can check with it disconnected?
 
I swapped out the fuse holder and it really didn't change anything. Since it's like my Ceriatone, I'm not going to worry about it.. especially since it sounds so good. Plus I bought this 2 years ago and just now built it so I'm sure they wouldn't send another.

I just finished with some mods and I really like the way they sound. I was curious if I should change any of the Plate resistors since the voltage is lower?
 
No, I wouldn't touch the plate resistors.
A big lesson that needs to be learned by budding amp builders ( and I learned this the hard way ) is that when the amp starts to sound really good, STOP FUKKING WITH IT!
You can send a great sounding amp straight to hell, and spend days trying to get it back by over thinking it, and continuing to fuk with it.
Having said that, if you want to tweak your voltages, start with the 2 blue 10k dropping resistors as shown in the layout.
Start with the one closest to the filter caps, and lower the value until you get what you want at the phase inverter. With 50uf filter caps, you could go as low as 4.7k here and still get proper decoupling and ripple reduction.
You might look for 350v - 360v at the pi node. I wouldn't go much higher for a Marshall style build.
Then look at the blue 10k dropper at the other end of the board, to raise the voltages at v1.
If you lower the first dropper, you may not have to touch the other preamp dropper.
Make sure you take notes, and only change one thing at a time and then test, so you can always get back to where you were.
 
Last edited:
I got lucky. I did this same build and it sounded amazing as soon as I fired it up and dialed it in. I don't need another one, but I'd not hesitate to buy from them again.
 
I got lucky. I did this same build and it sounded amazing as soon as I fired it up and dialed it in. I don't need another one, but I'd not hesitate to buy from them again.
Mine did too.. but my voltages don't match what they say they should. Did your voltages match? Their prices have gone up $200 for this kit since I bought it 2 years ago. I'll probably source all mine elsewhere in the future now that I kind of know what I'm doing... I regret not getting one from Valvestorm since they have build manuals for theirs.
 
I don't recall. I think everything measured within spec of the instructions, but it's been two years or so since I did it. I need to drag it out of the storage space and give it a workout.
 
Back
Top