Seeking Mesa 5 band eq

  • Thread starter Thread starter Exo-metal
  • Start date Start date

To buy, sell, or trade in this section, you must have at least 50 posts and have two-factor authentication enabled.

Exo-metal

Exo-metal

Well-known member
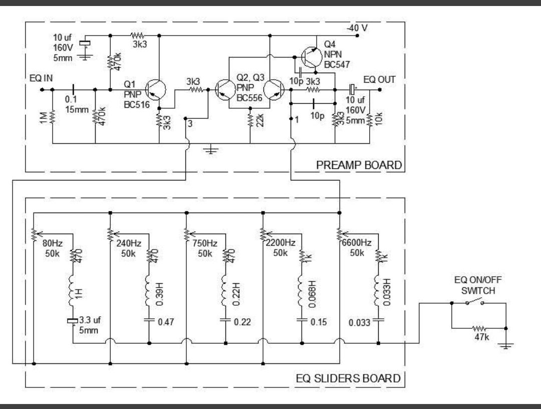
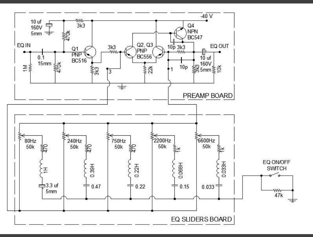
Wtb one of these if anyone has one they aren't using pm me.
 
Screenshot_20260411_234323_Facebook.jpg
 
I would gladly buy one if Griff can make it.

In the meantime, the Ibanez Pentatone EQ is able to get very close, almost indistinguishable. I made the thread here trying to show the settings:
https://www.rig-talk.com/forum/threads/poor-mans-mesa-5band-eq.335838/

I remember @griff10672 saying it was too difficult to make or something about parts, can't remember. But I wonder if he could mod the Ibanez that already has sliders to be a Mesa EQ?
 
I would gladly buy one if Griff can make it.

In the meantime, the Ibanez Pentatone EQ is able to get very close, almost indistinguishable. I made the thread here trying to show the settings:
https://www.rig-talk.com/forum/threads/poor-mans-mesa-5band-eq.335838/

I remember @griff10672 saying it was too difficult to make or something about parts, can't remember. But I wonder if he could mod the Ibanez that already has sliders to be a Mesa EQ?

I would jump in on an EQ that emulated Mesa's pedal.
 
the problem with doing a Mesa EQ is .... it won't have the same effect as the one in the amps .... the ones in the amps are seeing higher voltage ....

I've messed with a Mesa 5 Band EQ on a few occasions it's just like any other EQ in the loop or in front ... you guys aren't really missing anything IMO
 

Similar threads

Exo-metal
Replies
9
Views
406
S̷͖͑m̵͎͂á̵̺s̸͚̈́h̴̬̑
S̷͖͑m̵͎͂á̵̺s̸͚̈́h̴̬̑
Wizard of Ozz
Replies
5
Views
1K
grrr_me_scary
G
stratjacket
Replies
19
Views
2K
Code001
Code001
dead-pan
Replies
25
Views
3K
JackBootedThug
JackBootedThug
M
Replies
3
Views
471
Metalone72
M
Back
Top