Old People: How did you feel about the JCM800 at the time of its release?

  • Thread starter Thread starter SonVolt
  • Start date Start date
I know we've been over this but is there or not a difference between the JMP 2203 and JCM 800 2203?! I feel like it would be best to just refer to Marshalls by the model number. The names are confusing and nonsensical, as I know there are apparently multiple models of the JCM 800 for example. Speaking of Marshall confusion, my first real (tube) amp was a JCM 900. No idea what model. I sensed at the time (early 90's) that the 800's were the real deal, but the 900 was cheaper and looked the same except for more knobs. ?‍♂️
 
I know we've been over this but is there or not a difference between the JMP 2203 and JCM 800 2203?! I feel like it would be best to just refer to Marshalls by the model number. The names are confusing and nonsensical, as I know there are apparently multiple models of the JCM 800 for example. Speaking of Marshall confusion, my first real (tube) amp was a JCM 900. No idea what model. I sensed at the time (early 90's) that the 800's were the real deal, but the 900 was cheaper and looked the same except for more knobs. ?‍♂️
The earliest 800s from 81 had basically the same exact circuit as the 1980 JMPs. But, the 800s would get brighter and more aggressive as the years passed. Different caps, red legos, for example vs the JMP caps; the PT in the earlier 800s were a much higher voltage than the late 70s JMPs.
 
Yes I'm an old fuck and never used 800's always JMP's so there! ;) But! I have farted around with them (800's) but could never get out of them what the JMP's gave me.
I was under the impression that a JCM is the same as a JMP?

What are the differences?
 
I was under the impression that a JCM is the same as a JMP?

What are the differences?
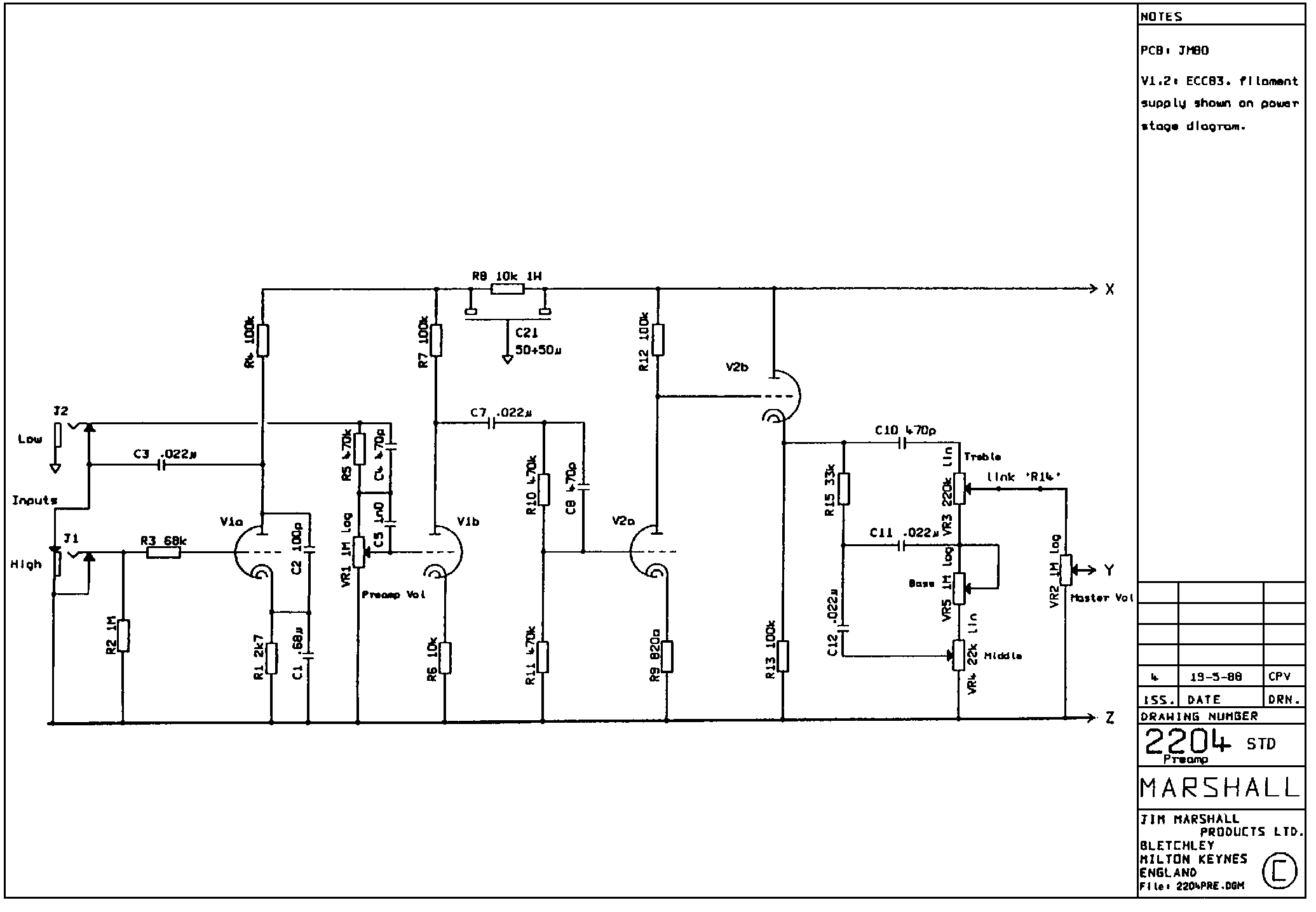
I’ve seen some schematics where the early 2204 looks more like a master volume plexi

IMG_8752.gif

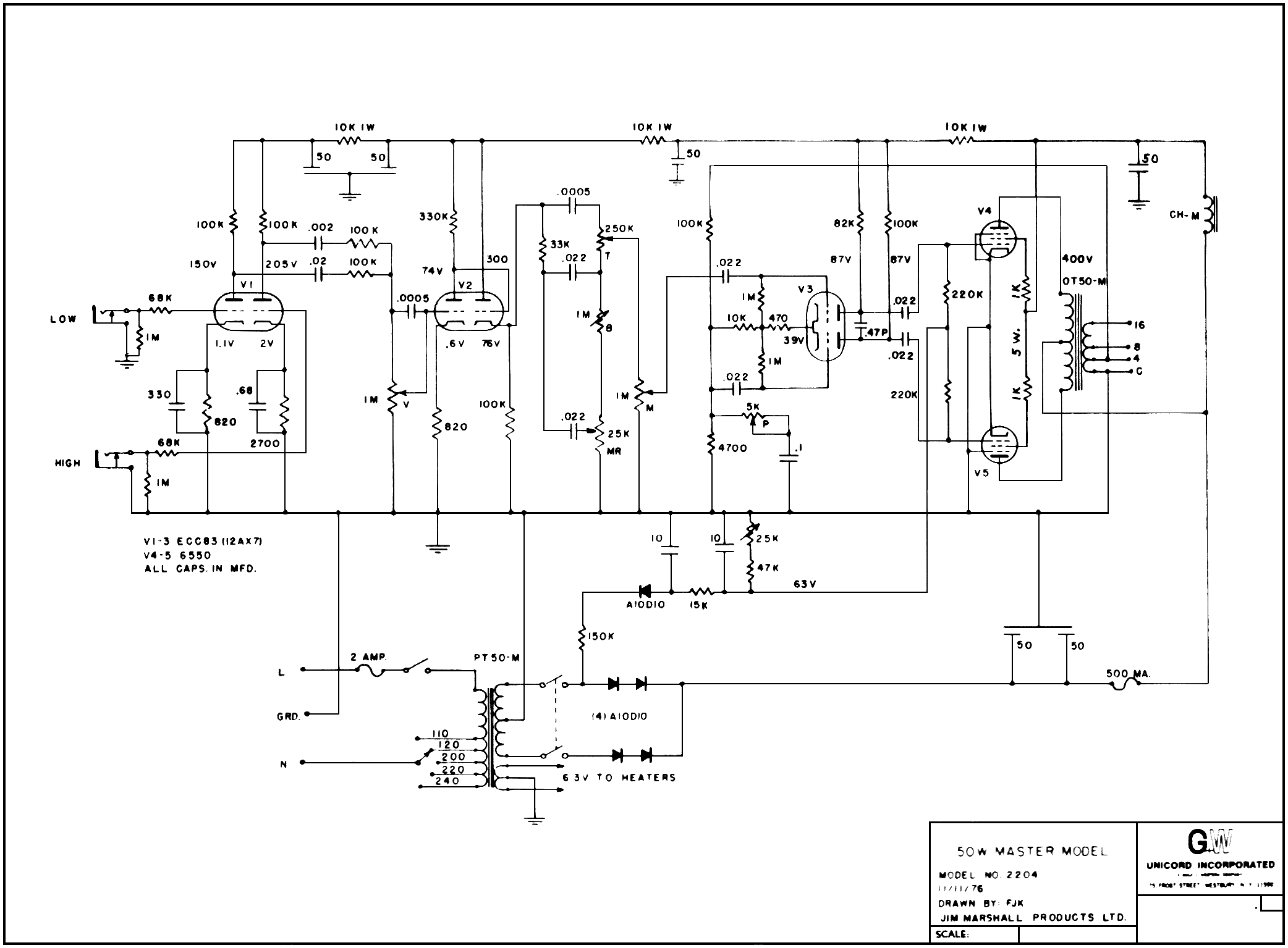
Whereas the later schematics are the usual 2204 we know, with three gain stages, cold clipper on the second stage, and low input bypassing the 1st gain stage

IMG_8753.gif
 
I’ve seen some schematics where the early 2204 looks more like a master volume plexi

View attachment 349922

Whereas the later schematics are the usual 2204 we know, with three gain stages, cold clipper on the second stage, and low input bypassing the 1st gain stage

View attachment 349925
The first 2203s in 1976 were the same as all the following 2203s up till their end in 91(until the reissue). But, the first 2204s didn't have the cascaded preamp, so the gain was very anemic. The 1977 and on 2204s had the corrected preamp circuit. I've read it's a pretty simple mod to change the 76s though.
 
The first 2203s in 1976 were the same as all the following 2203s up till their end in 91(until the reissue). But, the first 2204s didn't have the cascaded preamp, so the gain was very anemic. The 1977 and on 2204s had the corrected preamp circuit. I've read it's a pretty simple mod to change the 76s though.
Wasn't that known as the one wire mod? ;)
 
For most users, they needed to be too loud to sound good, clubs forced you to turn down, so it was all pedal distortion at most clubs. The amp became a backdrop.
 
For most users, they needed to be too loud to sound good, clubs forced you to turn down, so it was all pedal distortion at most clubs. The amp became a backdrop.
Yeah, not even close.

But nice try. I can spot the 'but I saw it on the net so it must be true!' crowd when it comes to Marshalls a mile away. Like, they've never even plugged into one ever.
Another good one is 'bbbut you have to plug in to 7-8 before you get a good one!' Hahaha another BS line. Just like the guy here who had a Mesa endorsement long ago, he tried 4-5 Rev Cs before he chose the ONE.
Same thing with any amp; one may speak to you more than another. But it doesn't mean the others sound bad.
Lol
 
Not at the clubs around here.
It's kinda obvious that on this forum, as some of us get older and the newer members get younger, a lot of these newer guys have NO experience with vintage amps of any kind. So, threads like this end up with opinions that have no basis in fact whatsoever.
Most haven't ever played or even seen a vintage Marshall of any kind....they go for DA BROOTZ and buy/try amps with a shit ton of preamp gain...no pedal needed...and that's their world.
It's all good....but kinda funny.
 
Yeah, not even close.

But nice try. I can spot the 'but I saw it on the net so it must be true!' crowd when it comes to Marshalls a mile away. Like, they've never even plugged into one ever.
Another good one is 'bbbut you have to plug in to 7-8 before you get a good one!' Hahaha another BS line. Just like the guy here who had a Mesa endorsement long ago, he tried 4-5 Rev Cs before he chose the ONE.
Same thing with any amp; one may speak to you more than another. But it doesn't mean the others sound bad.
Lol
Well I’m fifty-five, and this was my personal experience in the late 80s-early 90s. There were a few places large enough to open an amp up a bit, but to pretend you were cranking 100 watt amps all over town was not my reality.

I was slaving four heads into a 24 space rack, due to stage volume issues.
 
It's kinda obvious that on this forum, as some of us get older and the newer members get younger, a lot of these newer guys have NO experience with vintage amps of any kind. So, threads like this end up with opinions that have no basis in fact whatsoever.
Most haven't ever played or even seen a vintage Marshall of any kind....they go for DA BROOTZ and buy/try amps with a shit ton of preamp gain...no pedal needed...and that's their world.
It's all good....but kinda funny.
Kind of off topic, but since you brought this up..It is kind of the evolution of amps that you have so much preamp gain that we end up calling amps a can of bees. It makes it hard to find a good amp. Some amps you could put a pedal through, some you needed to get powersection going and turn down the preamp.

When I played a Fortin Hiwatt super hi 50, i learned something. The amp was kind of boring. The gain character was extremely smooth, and I wanted more. But later, i kind of missed the way it sounded, because you had enough gain in the preamp without cranking it. If you turned it up really loud and played heavy with your picking hand, you could make the amp roar. Sometimes an amp doesn't sound insane, but in a mix, just sounds right. It also was a chameleon amp because the amp could adapt to your style without being the star. That amp kind of led me down a road of looking for something else.

It is a very fine balance of finding an amp that doesn't need a pedal, but also doesn't sound like a pedal is pushing it. Just has a beautiful voice and still sounds pissed off. I am probably butchering this. But essentially, I agree with you. I think a lot of us use the amps incorrectly because of what we hear we need rather than experimenting. If you are playing metal but listening to a rock guy, he tells you to crank the amp, and then it becomes a mess, etc.
 
Well I’m fifty-five, and this was my personal experience in the late 80s-early 90s. There were a few places large enough to open an amp up a bit, but to pretend you were cranking 100 watt amps all over town was not my reality.

I was slaving four heads into a 24 space rack, due to stage volume issues.
Understandable.

I'm 57 and around here in the midwest, back in the late 80s/early 90s EVERY small town had at least 1 club that had bands every weekend, and Eau Claire had 10 or more places. I've played nearly every club over the years and watched other bands...I'd say 80% used Marshalls and they all sounded killer and were pretty damn loud. But definitely not ear bleed loud which seems to be a parroted argument against Marshalls. Like I've said before, they sound killer at 1.5-2 on the Master...which is pretty low but not too low a volume. Certainly not too loud for any club around here.
 
Understandable.

I'm 57 and around here in the midwest, back in the late 80s/early 90s EVERY small town had at least 1 club that had bands every weekend, and Eau Claire had 10 or more places. I've played nearly every club over the years and watched other bands...I'd say 80% used Marshalls and they all sounded killer and were pretty damn loud. But definitely not ear bleed loud which seems to be a parroted argument against Marshalls. Like I've said before, they sound killer at 1.5-2 on the Master...which is pretty low but not too low a volume. Certainly not too loud for any club around here.
I am way too young to be valid in this conversation, but I would imagine the marshall needs to be cranked thing was plexi. I had a jtm 45 and there is no way i could have turned it up to get more than a clean without ear plugs or a pedal. That thing was insane. People talk all the time about touchy masters..but goddamn. That thing went from 0-100 fast as fuck
 
Kind of off topic, but since you brought this up..It is kind of the evolution of amps that you have so much preamp gain that we end up calling amps a can of bees. It makes it hard to find a good amp. Some amps you could put a pedal through, some you needed to get powersection going and turn down the preamp.

When I played a Fortin Hiwatt super hi 50, i learned something. The amp was kind of boring. The gain character was extremely smooth, and I wanted more. But later, i kind of missed the way it sounded, because you had enough gain in the preamp without cranking it. If you turned it up really loud and played heavy with your picking hand, you could make the amp roar. Sometimes an amp doesn't sound insane, but in a mix, just sounds right. It also was a chameleon amp because the amp could adapt to your style without being the star. That amp kind of led me down a road of looking for something else.

It is a very fine balance of finding an amp that doesn't need a pedal, but also doesn't sound like a pedal is pushing it. Just has a beautiful voice and still sounds pissed off. I am probably butchering this. But essentially, I agree with you. I think a lot of us use the amps incorrectly because of what we hear we need rather than experimenting. If you are playing metal but listening to a rock guy, he tells you to crank the amp, and then it becomes a mess, etc.
I'd say my EVH 5153 experience is similar in that they are good amps, nothing to complain about and they do record REALLY well...but in the end I didn't like the 'squishy compression' that imo lead to a smear over the notes...but I see why they are well liked.
Regarding gain, when we listen to a fav recording and it sounds killer with a ton of gain, the reality is that track was probably recorded with MUCH less gain than we think. The only 2 inch tape exp I had was way back in 89, in Mpls...and, when I set up my rig and started to play the engineer stopped and asked me to turn down the gain a bunch. To me, it almost sounded clean with just a hint of breakup. But, listening to it back it sounded like a boosted Marshall. Our interpretation of what we hear, and what is really getting recorded can be vastly different.
 
I am way too young to be valid in this conversation, but I would imagine the marshall needs to be cranked thing was plexi. I had a jtm 45 and there is no way i could have turned it up to get more than a clean without ear plugs or a pedal. That thing was insane. People talk all the time about touchy masters..but goddamn. That thing went from 0-100 fast as fuck
Yep that's the beauty of a NMV amp...0-DEAF happens fast. But, if you can tolerate it, they have IMO the best tone on the planet.
 
I'd say my EVH 5153 experience is similar in that they are good amps, nothing to complain about and they do record REALLY well...but in the end I didn't like the 'squishy compression' that imo lead to a smear over the notes...but I see why they are well liked.
Regarding gain, when we listen to a fav recording and it sounds killer with a ton of gain, the reality is that track was probably recorded with MUCH less gain than we think. The only 2 inch tape exp I had was way back in 89, in Mpls...and, when I set up my rig and started to play the engineer stopped and asked me to turn down the gain a bunch. To me, it almost sounded clean with just a hint of breakup. But, listening to it back it sounded like a boosted Marshall. Our interpretation of what we hear, and what is really getting recorded can be vastly different.
This is exactly it. Go listen to some of Rush and really listen to the guitar. It is almost just breakup, but in your mind you remember the riffs being so powerful.

I had the 5153. It was a fun amp. But yeah. I wouldn't touch one with some of the amps I have played now. It could be your forever amp if you were a gigging artist, for sure. But the amp has too much of this and too little of that to keep a permanent spot in my house.
 
It's kinda obvious that on this forum, as some of us get older and the newer members get younger, a lot of these newer guys have NO experience with vintage amps of any kind.
Or playing live with a relatively loud tube amp, feeling the vibrational rush as it’s pumped through a good sized, powerful PA system. I almost feel sorry for the younger generation that will never experience that particular glory. Then again, they seem quite content with their Kemper silent stages so fuck’em :D
 
Back
Top