Question For Marshallheads

  • Thread starter Thread starter UltraGary
  • Start date Start date
UltraGary

UltraGary

Well-known member
In the signal flow of a JCM900, is the reverb before, after, or parallel with the pre-amp section & effects loop?

*Disclaimer: I'm not a guy who ever opens amps (unless I'm changing tubes). This question is for a friend who does great Mastering work.

Thanks in advance!
 
Don't know, but the schematics are easy to find so that'll give you the definitive answer. It's for sure after the preamp of course, everything is by definition.
 
Yeah, they wouldn't put reverb before the preamp. But is it before or after the effects loop? I don't know. I would want reverb after delay so I would want it after but it seems harder to do it that it way just from my novice amp building knowledge. Maybe post a schematic to make it easier for folks to help.
 
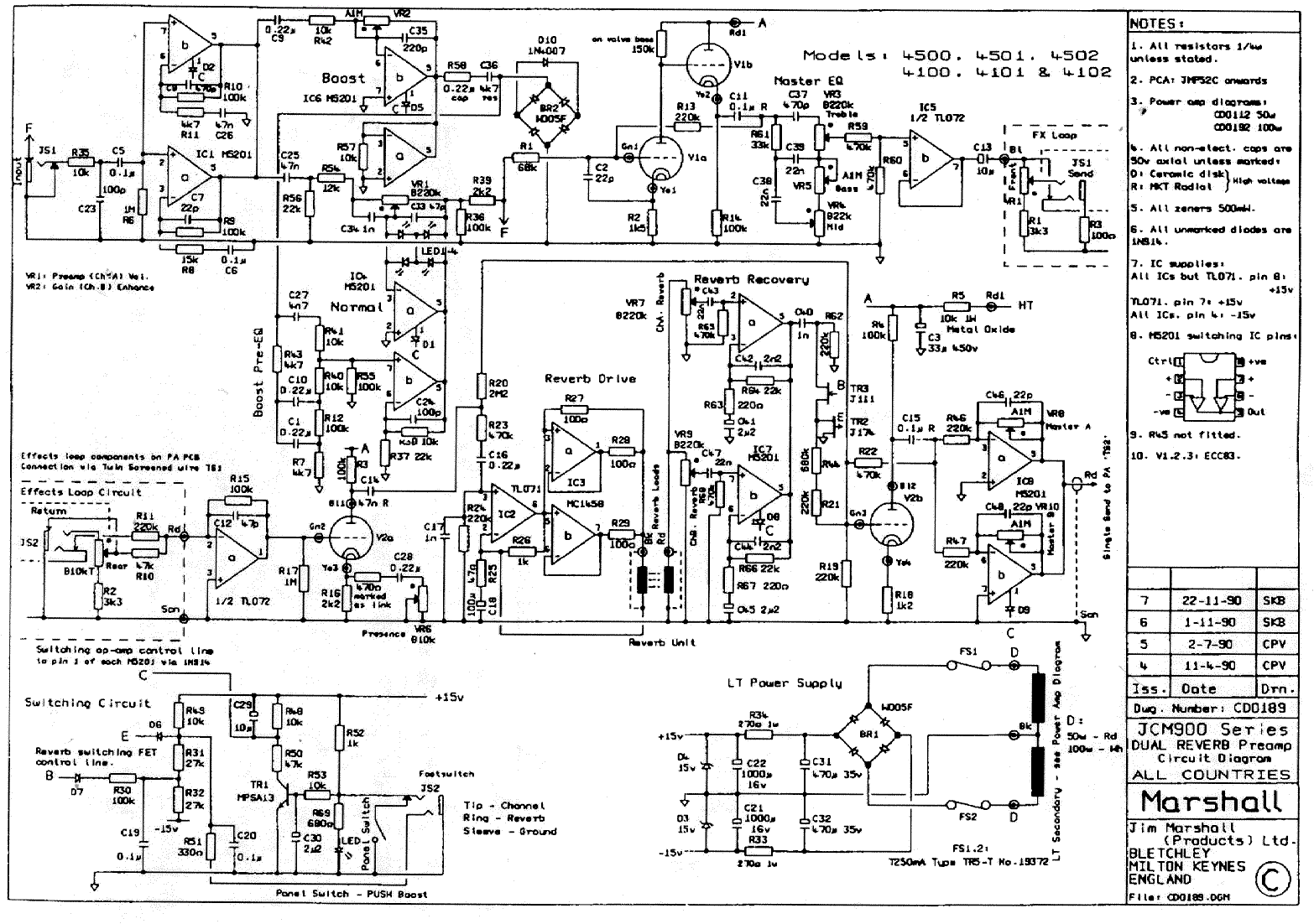
JCM900dualreverbpreamp.gif

After.
 
Just from a quick glance at that schematic, if you look on the left side about 2/3s of the way down you see a stereo FX loop jack. Then going to the right, that then feeds to the Reverb drive to the Reverb recovery to the Master Volume and that goes to that "Single lead to PA" (PA being Power Amp). So it looks like it is after everything except the Master volume. Somebody else should verify tho, I'm not following every little thing just looking for logical flow.
 
Just from a quick glance at that schematic, if you look on the left side about 2/3s of the way down you see a stereo FX loop jack. Then going to the right, that then feeds to the Reverb drive to the Reverb recovery to the Master Volume and that goes to that "Single lead to PA" (PA being Power Amp). So it looks like it is after everything except the Master volume. Somebody else should verify tho, I'm not following every little thing just looking for logical flow.
Yeah, I don't know either. I just figured I would be the Google for the Googleless and let the forum read it.

I think you're right though.
 
Also I just noticed that R20 is 2M2 which is the classic Fender Reverb value for the 'dry' signal. You can see it in that wire that goes 'around' the Reverb circuit (over the top). That's the dry signal that then blends with the reverby signal on the other side.
 
Yeah, I don't know either. I just figured I would be the Google for the Googleless and let the forum read it.

I think you're right though.
I'm not Googleless, I just have no idea ho to read a schematic like that and figured this was a good source of knowledgeable amp people.
 
Back
Top