Bedrock Amps?

  • Thread starter Thread starter NikLaw1
  • Start date Start date
necro bump.

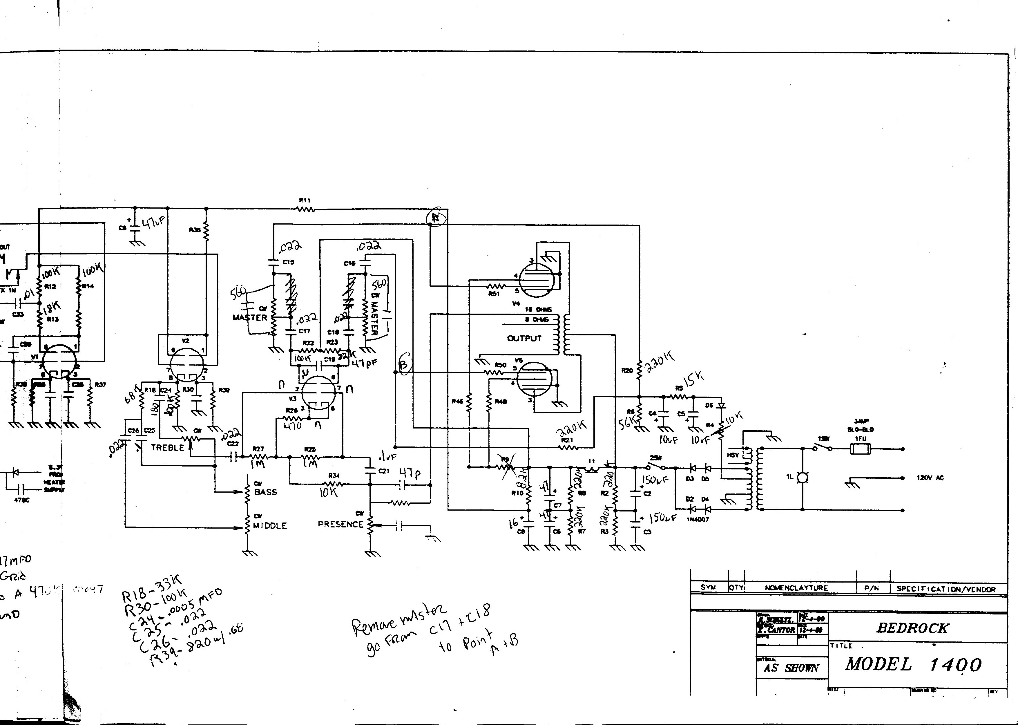
I got a 1400 and trying to find an accurate schematic, if possible.

I saw some online demos that seem to show the Gain is a push/pull to defeat a gain stage. My amp does not have this but I’d like to mod my amp to add this via a footswitch so I can get a little cleaner tone. Not pristine but just less gain.

Current I have the gain on 4.5/5 and while I can get the amp to clean up a little rolling my volume back, it’s not as clean as I’d like.

Here is what I could find online:
 

Attachments

  • 1400_2.jpeg
    1400_2.jpeg
    977.6 KB · Views: 49
  • 1400_1.jpeg
    1400_1.jpeg
    1.1 MB · Views: 42
Yo, I'm BedrockPoster, #14, above. I found an older, pre-PCB one for sale and it led to me poking around on the net. I forgot I had posted here before. I'm shocked I found this. Anyway, I'm about to buy my third Bedrock 1200. I was always looking for one of the old ones, the gold lettering hand-wired ones. A year ago, I bought one, from 1987. This next one I'm looking at has a slightly older serial number, same year. But this one is the non-reverb type, with no loop - which is why I'm buying it. I still haven't found an amp that gave me the same joy as my '89 did before it lost its mojo (needs new caps or whatever). I guess I'm heading into collector territory now.🤦‍♂️
Newest to oldest, top to bottom (the order that I bought them in - and the opposite order in the pic I just posted as an edit).
1989, serial 89260, PCB board, black lettering, black Tolex covered, has reverb, stock came with: 4- and 8-ohm taps, loop, footswitch activated reverb and phase shift. I had it converted to 8 and 16-ohm taps when the output transformer blew, so I can run it through my Marshall 4x12's.
1987, serial 87073, pre-PCB, gold lettering, tweed covered, has reverb, all stock, unmodified, with 4- and 8-ohm taps, has loop and footswitch jack. For some reason, this one has a lot more gain than the '89.
1987, serial 87050, pre-PCB, gold lettering, black Tolex covered, without reverb, loop, or footswitch. It appears unmodified. It has 4-, 8-, and 16-ohm taps. It also has these weird rubber corner protecters that I've never seen before, so, along with being non-reverb, it seems like it may be a special one. I'm about to buy it.😉
Maybe I'll come back and post some pics.
How to describe the tone? Lots of bass (turn it way down); lots of smooth, warm, rich tone - not a high gain amp, awesome for blues to hard rock, clean or crunch. They say the tone comes from the high plate voltage they run at - I wouldn't know.

Edit: added a pic. The top one is the oldest, the middle is the same year but newer (both from 1987) the bottom is the 1989. The top one is narrower because it doesn't have reverb. It also has a 16-ohm out (which the others don't) and doesn't have a loop (which the others do). The top one is the one I'd keep if I could only have one, but the two from 1987 sound best, though far different in gain. They happen to be the hand-wired ones. The tweed one is loudest and is the one with more gain - probably due to an Electro Harmonix preamp tube in place of the stock Penta in the V1 position. Anyway, these are my favorite amps (along with my Dr. Z X-RAY). I choose these over my '79 Marshall JMP 50W, '86 Marshall JCM 800 100W, Friedman Twin Sister, Splawn Quick Rod, MESA Lone Star, ENGL Fireball 100, Benson Monarch, Fender Vibro-King, Fender Princeton Reverb RI, and a few others. BEDROCK's rock when they are properly maintained (At least the 1200's do. I have never tried any other models).
 

Attachments

  • ThreeBedrocks.jpg
    ThreeBedrocks.jpg
    1.7 MB · Views: 20
Last edited:
Evan is an awesome builder and his current line of amps are the best I have ever played. They are organic and can do mid to high gain really well. They are all turret board and use NOS components
 
Evan is an awesome builder and his current line of amps are the best I have ever played. They are organic and can do mid to high gain really well. They are all turret board and use NOS components
Evan has been one of my best friends for over 30 years. So lucky for me to have him as the engineer and builder for MGL Amps!
 
Evan has been one of my best friends for over 30 years. So lucky for me to have him as the engineer and builder for MGL Amps!
Ask him what the story was on the Hiwatt style 4x12 cabinets he made at one time during the Bedrock days. Friend of mine bought one and that thing sounded great. I tried to buy it from him for years until I lost touch with him.
 
necro bump.

I got a 1400 and trying to find an accurate schematic, if possible.

I saw some online demos that seem to show the Gain is a push/pull to defeat a gain stage. My amp does not have this but I’d like to mod my amp to add this via a footswitch so I can get a little cleaner tone. Not pristine but just less gain.

Current I have the gain on 4.5/5 and while I can get the amp to clean up a little rolling my volume back, it’s not as clean as I’d like.

Here is what I could find online:
Check to see what preamp tubes yours has. I have two 1200's that are exactly the same except for reverb (which I keep off). One has a ton more gain than the other. It may be because they do have different preamp tubes. When I get home from a long trip I will swap the tubes and see if that accounts for the difference.
 
Evan is an awesome builder and his current line of amps are the best I have ever played. They are organic and can do mid to high gain really well. They are all turret board and use NOS components
"Evan" isn't even mentioned in the thread, so how about telling everyone who "Evan" is.
Wild guess: Evan Cantor? That name seems to ring a bell for me.
 
I wish I had kept the 50 watt Bedrock I had. Can't remember if it was a 1200 or 1400 or what, but it was a cool amp.
 
@MGL AmpWorks When you get a chance, ask Evan what modern production tubes he recommends that'll last with the high plate voltages they liked to run on the Bedrocks. I might get another one one day if people would quit asking a small fortune for them.
 
@MGL AmpWorks When you get a chance, ask Evan what modern production tubes he recommends that'll last with the high plate voltages they liked to run on the Bedrocks. I might get another one one day if people would quit asking a small fortune for them.
EH EL34's would be a good choice from the current tubes. They will easily handle the higher plate voltage of the Bedrock.
 
@MGL AmpWorks When you get a chance, ask Evan what modern production tubes he recommends that'll last with the high plate voltages they liked to run on the Bedrocks. I might get another one one day if people would quit asking a small fortune for them.
The hand wired ones go for around a thousand, a bargain compared to some lesser amps that are sold nowadays (not that today's amps aren't better, generally speaking). Tone wise, both of mine beat, for example, my Friedman Twin Sister 40, Splawn Quick Rod 50, ENGL Fireball 100 (except for metal), MESA Lone Star 100/50/10, and both old Marshalls (JMP 2204, JCM 2203). IMO😉. But like I've said elsewhere, old amps are often not in the best operating condition. There's a good chance it'd need some work if you bought one, and do you really want to go down the rabbit hole of trying to make a disappointing purchase sound the way it should?
 
Last edited:
I wish I had kept the 50 watt Bedrock I had. Can't remember if it was a 1200 or 1400 or what, but it was a cool amp.
I still don't know what the difference is between the 1200 and 1400. They look the same, as far as I know. I think the 1400 came after the 1200. Maybe just a rename.
This is why these guys who developed these amps should get their act together, get over their sour milk, and put into print exactly what they made and when. History deserves it.
 
Last edited:
I can't take the name "bedrock" seriously. Makes me think of this shitty rap song where the lyrics go "Call me Mr. Flintstone, I can make your bed rock."

🤮
 

Similar threads

kmanick
Replies
11
Views
698
stratjacket
stratjacket
Shreddy Mercury
Replies
25
Views
669
Shreddy Mercury
Shreddy Mercury
ZEEGLER
Replies
26
Views
2K
GuitarVacation
G
Back
Top