where to discharge the capacitor on this amp

  • Thread starter Thread starter doctorunderhill
  • Start date Start date
D

doctorunderhill

New member
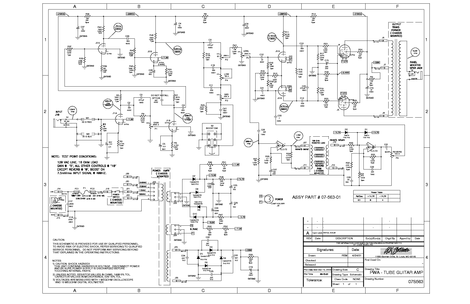
curious as to which location on this circuit to discharge this amp. i have done discharges on a several Fenders (Pro Reverb and a Princeton, but not familiar with the particular amp.
 

Attachments

  • crate_palomino_v16.pdf_1 (1).png
    crate_palomino_v16.pdf_1 (1).png
    62.8 KB · Views: 59
I’m not certain of the pin number, but doesn’t connecting Pin 1 (or the correct one) of V1 to the chassis ground and doing a power down without using standby (if present) drain the caps quite fast?

Edit…for people who won’t bother reading further, turn the amp off first and then make this connection. Not the way I guessed at.
Pretty obvious when you think about it 🤣
 
Last edited:
Use a volt meter to test all of the supply nodes to make sure they’re discharged. Anything holding a constant voltage not discharging is what will need manually discharged.
 
I’m not certain of the pin number, but doesn’t connecting Pin 1 (or the correct one) of V1 to the chassis ground and doing a power down without using standby (if present) drain the caps quite fast?
thanks for the input skoora. i appreciate it.
 
Use a volt meter to test all of the supply nodes to make sure they’re discharged. Anything holding a constant voltage not discharging is what will need manually discharged.
first of all, thanks for taking the time to respond to my question. when you refer to the supply nodes are you talking about specific pins on the other preamp/power tubes?
 
first of all, thanks for taking the time to respond to my question. when you refer to the supply nodes are you talking about specific pins on the other preamp/power tubes?

All supply nodes in the amplifier based on the schematic you shared. Damage to equipment and harm to yourself can happen from anything holding residual charge, not just lethal high voltage.

If you need more help from here it’s more related to reading a schematic. If you don’t know what supply nodes are I suggest you pause what you’re doing in the amplifier. When things are broken in a circuit, things can act in a way that schematics don’t annotate. If you can’t outline the basic nodes of the supplies, then you’re likely going to chase your tail trying to repair things that are damaged causing odd states of operation.
 
With the amp off, attach an alligator lead to V1a plate and the other end to chassis ground. The caps will all slowly drain through the B+ dropping resistors and plate resistors. Obviously, the alligator leads must be insulated... don't touch the actual alligator with your bare hands.
 
If you don’t know what supply nodes are I suggest you pause what you’re doing in the amplifier.

this

no offense @doctorunderhill but based on some of your other similar threads in this particular subforum I would suggest you take this (and all others) to a tech if you have problems. you strike me as someone (possibly) that buys cheap amps on the cheap and then tries to fix/flip them yourself.
 
While we're at it, how long can those parts hold a charge after you've turned it off?
 
While we're at it, how long can those parts hold a charge after you've turned it off?

Depends. Many amps have balancing resistors on the screens and/or reservoir caps that also bleed the caps to ground when the amp is off. In that case, a few minutes. But best to check with a multi-meter.

If you're asking how long a capacitor can hold high voltage in isolation, without a way for the charge to bleed off... anywhere from a few days to several weeks. Again, best to check with a meter. And if you find a random, used high-voltage cap sitting on a shelf, I wouldn't touch the terminals with bare hands without first confirming.

Example:

I just bought a new electric ski/snowboard avalanche airbag backpack. You wear it while traveling in the backcountry. In an avalanche, you pull a handle/trigger and it inflates a large airbag to increase your chances of survival. This electric pack uses a lithium battery to charge a bank of capacitors that are not unlike what you would find in a guitar amp. When you pull the trigger, the caps discharge instantly. When they are fully charged, the pack will maintain reliable functionality for 60 hours. But the caps will hold some charge for about a month.
 

Similar threads

GearGasms
Replies
10
Views
554
The~Kid
The~Kid
GearGasms
Replies
2
Views
219
S̷͖͑m̵͎͂á̵̺s̸͚̈́h̴̬̑
S̷͖͑m̵͎͂á̵̺s̸͚̈́h̴̬̑
Back
Top