Dime Tone.............4 Amps....which one did it better?

  • Thread starter Thread starter harddriver
  • Start date Start date
The RG100ES is basically a Jose modded Marshall but all solid state. I like to pull the treble to get the "extra sustain"...which is nothing more then adding in the zeners. I would love to tinker with the zeners and use some really good vintage Motorola transistors, but I dont want to f up the amp. Talking with Cameron about the amp, he basically said you can mod it as its so close to a Marshall, but it obviously sounds very different.
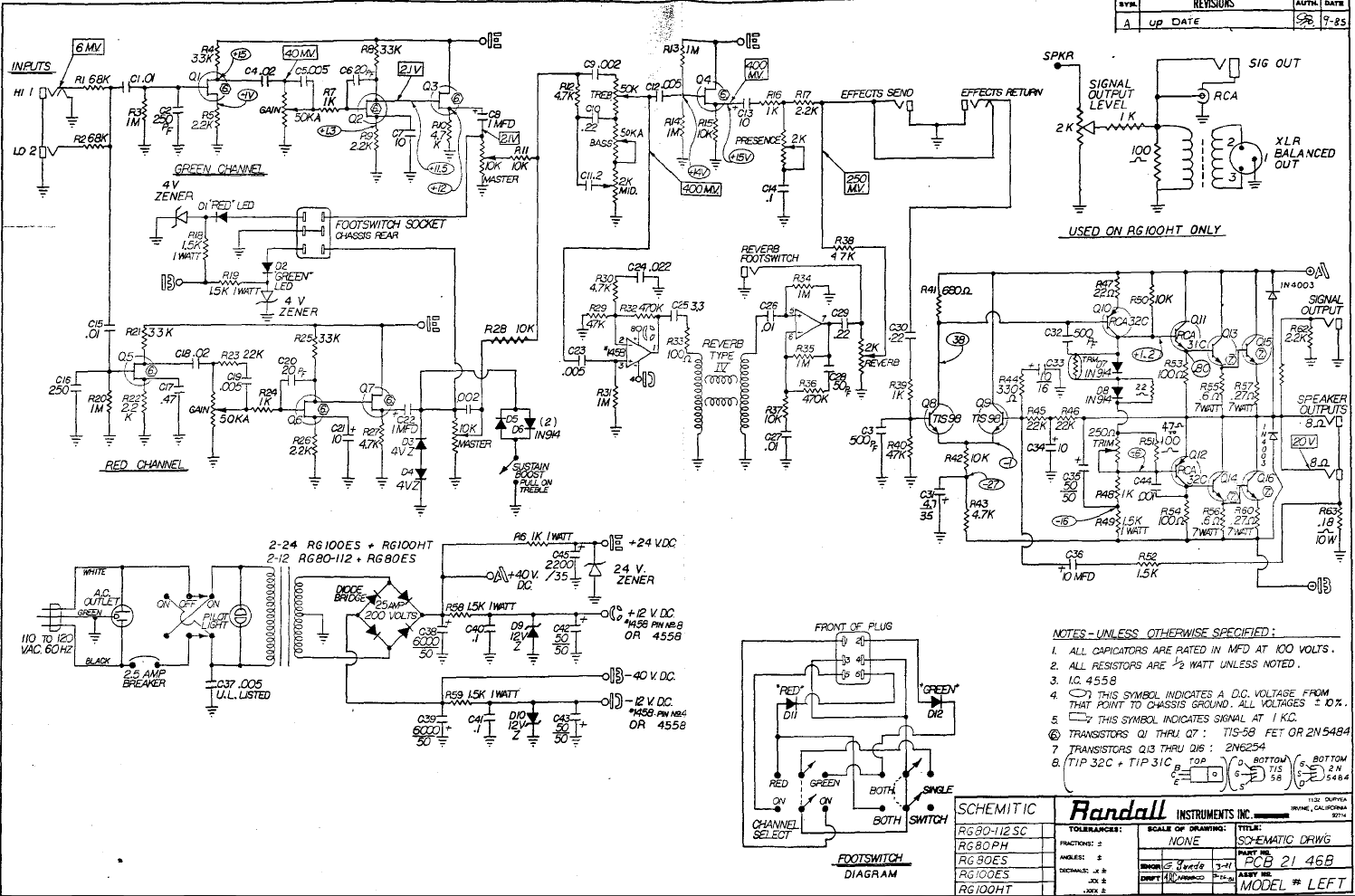
There are two sets of diodes in an RG100ES. There are 4 V Zeners just before the Master Volume that are in the circuit all the time and then are two more 1N914 diodes on the Extra Sustain Treble pull selection for even more clipping and sustain. So all Randall RG's have 4V zeners in the circuit all the time.
1751907311996.png
 
I never looked into it, but this is super interesting.

Change out the second set of zeners for something different for less clipping so it isn't as dramatic change.
 
from FBD:

What was your workhorse amp and guitar?

“I stuck to what I've always used – Randall amps, and my main guitar is still my blue ’81 Dean with the Kiss stickers. That guitar just can’t be topped. I use that on all the songs that are in standard tuning. When we tune down to D, I use my brown tobacco-burst Dean.

“The only thing that was really different on this album is that the signal from my guitar was routed through three Randall amps which were recorded simultaneously on each track – three amps mixed down to one track.

“One stack was effected with my MXR flanger, for a kind of hollow sound; another stack was just straight up and dry, and the third was set similar to the dry stack except that it had a little more gain. Separately, one sounded horrible, one sounded great and the other sounded bassy; but together they sounded incredible.”
I'm sure they layered it. And higher in the mix on some.

Would probably be breach of contract if he mentioned it.
 
There are two sets of diodes in an RG100ES. There are 4 V Zeners just before the Master Volume that are in the circuit all the time and then are two more 1N914 diodes on the Extra Sustain Treble pull selection for even more clipping and sustain. So all Randall RG's have 4V zeners in the circuit all the time.
View attachment 406501
Quite a few TIS 58’s in the circuit. Like the coveted echoplex preamp. 😉
 
I'm sure they layered it. And higher in the mix on some.

Would probably be breach of contract if he mentioned it.


Well I don’t know, I’ve searched high and low for more info on dimes wizards, and the only mention I’ve ever heard or seen is that one line from Vinny saying they used one for “just a touch of tube clarity” I think was his quote. I’ve watched or read I think every interview ever with Grady, Terry Date, Ulrich Wild and anyone that worked with Dime and I’ve never heard anything about wizards. I know he used a mark for cleans, I know Ulrich said during tgstk tracking dime had to go and grab his mackie mixer they used to blend amps as it just wasn’t right without that thing. Ola did that tour of dimes house with all the gear left and there’s no wizards anywhere, and there’s forumites here that knew and were around dime that never saw a wizard. Maybe there was a Wizard at Pantego studios, but I gotta believe if they were used to any extent that someone would have mentioned it by now, why would that be such a secret??

As far as FBD, that album sounds super SS to me, and just like my Century when I boost the shit out of it like dime did
 
Well I don’t know, I’ve searched high and low for more info on dimes wizards, and the only mention I’ve ever heard or seen is that one line from Vinny saying they used one for “just a touch of tube clarity” I think was his quote. I’ve watched or read I think every interview ever with Grady, Terry Date, Ulrich Wild and anyone that worked with Dime and I’ve never heard anything about wizards. I know he used a mark for cleans, I know Ulrich said during tgstk tracking dime had to go and grab his mackie mixer they used to blend amps as it just wasn’t right without that thing. Ola did that tour of dimes house with all the gear left and there’s no wizards anywhere, and there’s forumites here that knew and were around dime that never saw a wizard. Maybe there was a Wizard at Pantego studios, but I gotta believe if they were used to any extent that someone would have mentioned it by now, why would that be such a secret??

As far as FBD, that album sounds super SS to me, and just like my Century when I boost the shit out of it like dime did
I don't think most people are averse to the idea that the Wizards were used in the studio, but it wasn't his main tone. Again.... I'm happy to listen to a Wizard from 1990-2000 with a PQ3, MXR 6 band and noise gate up front and see what it can do compared to the Randall's. If the Wizard does Dime better than any Randall it will be easy to tell:2thumbsup:
I do find it telling that there is no Dime fan guitar players that has posted a clip of a Wizard doing Dime all these years!!!!!!
Here's Broken Level's Century 170II he got last month,

 
I don't think most people are averse to the idea that the Wizards were used in the studio, but it wasn't his main tone. Again.... I'm happy to listen to a Wizard from 1990-2000 with a PQ3, MXR 6 band and noise gate up front and see what it can do compared to the Randall's. If the Wizard does Dime better than any Randall it will be easy to tell:2thumbsup:
I do find it telling that there is no Dime fan guitar players that has posted a clip of a Wizard doing Dime all these years!!!!!!

because you can be a huge dime fan as i am, who has scoured the internet and youtube over the years looking for any info available, and unless you are a member here or happen to have that guitarworld from 30+ years ago, which i actually do, you most likely have no clue about dime using wizards, or what a wizard even is. i would have bought a wizard a long time ago if i saw more talk of him using them. if anyone can show me info that talks about him using them, please share
 
because you can be a huge dime fan as i am, who has scoured the internet and youtube over the years looking for any info available, and unless you are a member here or happen to have that guitarworld from 30+ years ago, which i actually do, you most likely have no clue about dime using wizards, or what a wizard even is. i would have bought a wizard a long time ago if i saw more talk of him using them. if anyone can show me info that talks about him using them, please share
Totally agree. The info I saw and possibly foolishly believed was an email from Rick confirming some prototype pre metal Wizard.

Dime was a huge influence for me also. And likewise I hadn't heard of the Wizard thing until recently.

I thought I read there was photo evendience but not sure where I got that from.
 
Last edited:
because you can be a huge dime fan as i am, who has scoured the internet and youtube over the years looking for any info available, and unless you are a member here or happen to have that guitarworld from 30+ years ago, which i actually do, you most likely have no clue about dime using wizards, or what a wizard even is. i would have bought a wizard a long time ago if i saw more talk of him using them. if anyone can show me info that talks about him using them, please share
Have you saw this?

RDT_20250707_1856284082500965224592703.png
 




Yeah, that’s the article I’m talking about, that’s the only mention I’ve ever seen. If he’s not even sure it was used on cowboys, described it as just a touch on vulgar, with no other mention from anyone else ever, I’m gonna guess the wizard was a very small part, if at all, especially on FBD, which has no tube qualities at all to me
 
Yeah, that’s the article I’m talking about, that’s the only mention I’ve ever seen. If he’s not even sure it was used on cowboys, described it as just a touch on vulgar, with no other mention from anyone else ever, I’m gonna guess the wizard was a very small part, if at all, especially on FBD, which has no tube qualities at all to me
Yeah, for me, I had never considered it a possibility. But then these accounts popped up. I felt that it was very likely that there was a blend.

Then I was listening close the My Third Arm and can't help but think the tone is mostly tube. I do hear layers that seem solid state but for the large part not.

I would love for some more facts.
 
Yeah, for me, I had never considered it a possibility. But then these accounts popped up. I felt that it was very likely that there was a blend.

Then I was listening close the My Third Arm and can't help but think the tone is mostly tube. I do hear layers that seem solid state but for the large part not.

I would love for some more facts.


I’m listening to power metal now, which I’m not even sure wizards were around yet, and it sounds like classic dime to me without major label production.


 
That's part of the Dime tone. That said, the amp is set to sound like that. I personally do not set my RG100 to sound like this and I will say, its an incredible sounding and feeling amp and I would put it up against any tube amp. For the $300 I spent on it years and years ago, it was well worth it. Too bad it has ugly carpet. :ROFLMAO:
Here's AIC in 1990 at the Moore theater and this is supposedly still the Randall RG80, although the amps are out of camera range. No BEES here.....
 
Yeah, for me, I had never considered it a possibility. But then these accounts popped up. I felt that it was very likely that there was a blend.

Then I was listening close the My Third Arm and can't help but think the tone is mostly tube. I do hear layers that seem solid state but for the large part not.

I would love for some more facts.


this is from Terry Date... lets please stop with the Dime and Wizards now please lol


Your work with Pantera on Cowboys from Hell and Vulgar Display of Power broke ground with a new hybrid of metal. How did you track Darrell "Dimebag" Abbott's monster guitar sound?

I get this question a lot from people. The first thing I'm going to say about him, and it's really true, is you can't get his sound unless you have his hands, his head, and his heart. He'd always have two amp stacks. One stack was straight and the other ran through an MXR flanger/doubler that was set in a particular way. There was always an MXR foot pedal EQ [six band graphic equalizer] in front of everything, mainly to bump up a little extra overdrive on the front side of the amp head. We always experimented on every record, trying different tube heads, but we never really used one; it always ended up being the Randall amplifiers [RG100H and Century 200]. As far as the mic'ing goes, we did a lot of things early on. I used a technique, for a time, where I would put up four microphones – a microphone on each speaker – it usually was a 57. I'd leave the amp hiss going, put on headphones with a mic through it, and would move the mic until the hiss was as loud as it could be on each individual speaker. I'd end up with four mics on the four speaker cabinets, each one placed to where it was the loudest it could possibly be, so I knew they were all in sync. We would record all the rhythm guitars for the whole album like that. There were other times when I would take a 57, put it straight onto one cone on one speaker, and then take another one and put it at a 45-degree angle [to the first mic] to create a little phase scoop out of it. We would spend a lot of time at the beginning of a record trying these different mic'ing techniques, then we'd settle on something and record the record. But here's a lesson that I learned early on: we'd record all the rhythm guitars, tear everything down, and then, towards the end of the record, Dime would go, "I've got one more part I hear in my head that I want to put on a song or two." We would throw up one cabinet, and I'd put a 57 on it – because it was a secondary part he was going to throw in. Then we'd listen to it, and it usually sounded better than the rhythm guitars we'd spent all this time mic'ing, in all these exotic ways. I realized that you don't need a whole lot of fancy stuff with him; just get a mic on him. Keep it simple, and it sounds better.
 
Here's AIC in 1990 at the Moore theater and this is supposedly still the Randall RG80, although the amps are out of camera range. No BEES here.....

The tone is great. It almost sounds like there is a filter on all the time or maybe the wah is left on.
 
this is from Terry Date... lets please stop with the Dime and Wizards now please lol


Your work with Pantera on Cowboys from Hell and Vulgar Display of Power broke ground with a new hybrid of metal. How did you track Darrell "Dimebag" Abbott's monster guitar sound?

I get this question a lot from people. The first thing I'm going to say about him, and it's really true, is you can't get his sound unless you have his hands, his head, and his heart. He'd always have two amp stacks. One stack was straight and the other ran through an MXR flanger/doubler that was set in a particular way. There was always an MXR foot pedal EQ [six band graphic equalizer] in front of everything, mainly to bump up a little extra overdrive on the front side of the amp head. We always experimented on every record, trying different tube heads, but we never really used one; it always ended up being the Randall amplifiers [RG100H and Century 200]. As far as the mic'ing goes, we did a lot of things early on. I used a technique, for a time, where I would put up four microphones – a microphone on each speaker – it usually was a 57. I'd leave the amp hiss going, put on headphones with a mic through it, and would move the mic until the hiss was as loud as it could be on each individual speaker. I'd end up with four mics on the four speaker cabinets, each one placed to where it was the loudest it could possibly be, so I knew they were all in sync. We would record all the rhythm guitars for the whole album like that. There were other times when I would take a 57, put it straight onto one cone on one speaker, and then take another one and put it at a 45-degree angle [to the first mic] to create a little phase scoop out of it. We would spend a lot of time at the beginning of a record trying these different mic'ing techniques, then we'd settle on something and record the record. But here's a lesson that I learned early on: we'd record all the rhythm guitars, tear everything down, and then, towards the end of the record, Dime would go, "I've got one more part I hear in my head that I want to put on a song or two." We would throw up one cabinet, and I'd put a 57 on it – because it was a secondary part he was going to throw in. Then we'd listen to it, and it usually sounded better than the rhythm guitars we'd spent all this time mic'ing, in all these exotic ways. I realized that you don't need a whole lot of fancy stuff with him; just get a mic on him. Keep it simple, and it sounds better.
I can read this different ways:

but we never really used one;
 
Back
Top