I
iff
Active member
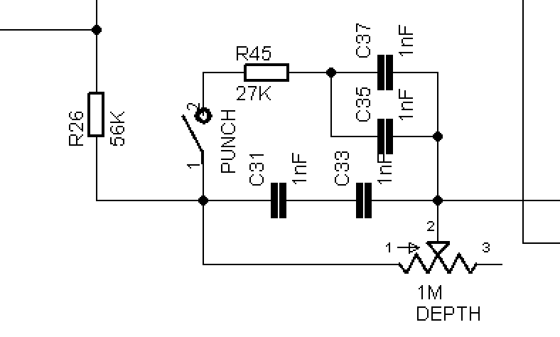
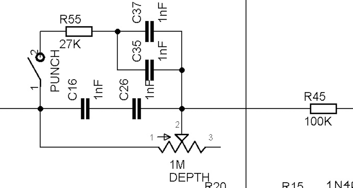
I was playing with this circuit and found that moving the series resistor in and out of the circuit makes a surprisingly large difference and not simply in the "lower frequencies but with more/less effect" kind of way. With it in the circuit, frequencies higher than you would normally hear with a 5.2nF depth circuit seem to be boosted.
Is the effect you're describing what would cause this? Lower Q causing less emphasis on low frequencies so you hear the higher ones that were already present? Or is that a total misunderstanding?
Agreed. The 4.7nF is always in circuit regardless of switch position. When the switch is open the 47k acts as ESR on the 4.7nF detuning its Q. Close the switch and the 47k is out of circuit no longer dampening the 4.7nF which increases its Q.
Is the effect you're describing what would cause this? Lower Q causing less emphasis on low frequencies so you hear the higher ones that were already present? Or is that a total misunderstanding?