Mods for my 2204 build - switchable JEL and #34?

  • Thread starter Thread starter ledvedder
  • Start date Start date
I like 2200pF depth cap as well. Typical 4700pF sounds good too, depending on the rest of the amp. But I like lots of mids in my amps. And the 2200 dips into the mids a bit and really gives the amp a solid bark.
 
I like 2200pF depth cap as well. Typical 4700pF sounds good too, depending on the rest of the amp. But I like lots of mids in my amps. And the 2200 dips into the mids a bit and really gives the amp a solid bark.
OK, I'll give it a try. I've only used 4700pF previously, which I've always barely turned up to maybe 2 at most.

Do you also mainly go off the 8 ohm tap with a 100k resistor?
 
OK, I'll give it a try. I've only used 4700pF previously, which I've always barely turned up to maybe 2 at most.

Do you also mainly go off the 8 ohm tap with a 100k resistor?

If you turn the bass down a bit, you can run the depth higher. But it also depends on your speakers/cab. In a Bogner 4x12 with Greebacks or Creambacks, I typically run depth up around 1:30 and bass below noon.

You can also try 3300pF as a happy medium. Or do what @glpg80 suggested and start with 2200pF and then add in small caps until you like it.

For NFB, I run 47-56k on 8ohm tap, depending on rest of circuit. You can also put in a pot and play around with what sounds good. Then replace with a resistor that's closest to whatever value you land on. I did that and found I really like 47k.

Variable NFB is a powerful tool. You could also just keep the pot and install on back panel. Hardwire a 39K resistor + 25K/50K pot and you'll have a wide range of tones. But I've always gravitated to one position and then never touch it. So I just hardwire in a resistor now. But it's still a good way to "demo" different NFB values to find the one you like.

I do this for most positions in the entire circuit. I use home-made decade boxes with caps and resistors. Just alligator clip them into the circuit in different positions and you can test all sorts of values while you play. Super easy way to build an amp with a custom voice.

That said... Marshall got it mostly right already lol. And when I do blind tests, I find I gravitate toward stock Marshall values in most places. Go figure...
 
Last edited:
Marshall really did get it right. I think you’ll find you’ll change to a hot 3 stage setup and miss the big sound and punch of the original circuit. That’s why I had you add the 4th stage and keep the original circuit as is, but it’s too hot.

Before you convert it, have you tried running a 12AU7 or 12AT7 in v2?

What you may need is literally only a tube change away from the sound you’re looking for.
 
You do know that adds a tube gain stage up front right?

It’s a jose all features included type of circuit. Eddy can elaborate on it further but that’s got all kinds of stuff going on.
 
You do know that adds a tube gain stage up front right?

It’s a jose all features included type of circuit. Eddy can elaborate on it further but that’s got all kinds of stuff going on.
Yep, I found the schematic. The gain seems more classic or 80s to me. Not as modern sounding as adding the stage after.
 
Yep, I found the schematic. The gain seems more classic or 80s to me. Not as modern sounding as adding the stage after.
Would be fun to follow along as you change it up.

You’ll need to add a tube to the chassis though from my knowledge. Can you post the schematic?
 
Would be fun to follow along as you change it up.

You’ll need to add a tube to the chassis though from my knowledge. Can you post the schematic?
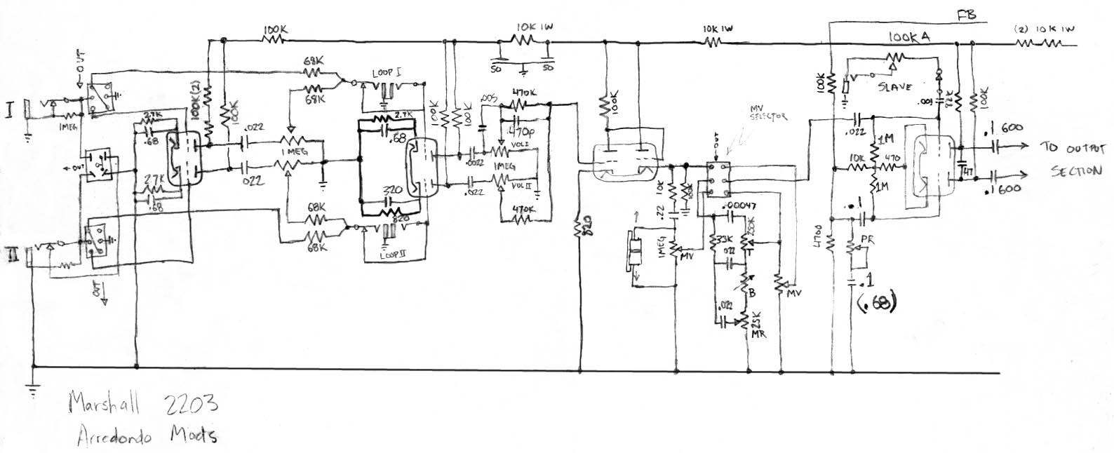
Yeah, it could definitely be a fun project. This is the schematic I got, but I think there are a few changes. 0.0022 instead of 0.022 after the added tube. And I think those first 2 stages have to be paralleled in the "Vai" version.
2203 Jose Mods.jpg

Nik from Ceriatone also shared this on his Facebook page a while back.
ArredondoChassisv2.jpg
 
Man that’s a lot of stuff to cram into a 2204 chassis lol. You’re going to have to lean heavily on coax lines for isolation.
 
Yeah it is a lot lol. I think the next think I might try is 2k7/0.68 on both v1a and v1b, with 200k or 300k on the plates.
 
Yeah it is a lot lol. I think the next think I might try is 2k7/0.68 on both v1a and v1b, with 200k or 300k on the plates.
You try the tube yet first in V2?

I don’t like any really large plates unless you’re running a super high B+ In the 520V to 560V range in standby (which you’re not).

As was mentioned before, they really smear your sound and you lose the percussiveness of the stage. They also don’t clean up well.

I also fear you’re going to make the mistake I made in my 74. Somewhere along the line I had a great 3 stage plus boosted tone and the curiosity of adding a tube got the best of me. I finished tuning the circuit but miss the previous iteration and it’s too complicated to go back.

So the temptation to tweak may be there but there’s a good chance you’re be close to Eddy’s mods but it may not sound exactly the same. He’s had his hands on some modded bogners to learn from that many of us haven’t seen. He’s also really good at self teaching.

Same with Cameron - he actually learned from Bogner as well.
 
Last edited:
Yeah, it could definitely be a fun project. This is the schematic I got, but I think there are a few changes. 0.0022 instead of 0.022 after the added tube. And I think those first 2 stages have to be paralleled in the "Vai" version. View attachment 134410
Nik from Ceriatone also shared this on his Facebook page a while back. View attachment 134413

I can see why that circuit sounds so stereotypically '80s lol. Not my thing. If I were building that one, I'd make each plate 100K (get rid of the extra 100k and lower the 200k); make the first coupler 0.0022uF and the rest 0.022uF; add the 0.68uF bypass on V3 (maybe); change NFB to 49K/8 ohm; add a depth control with 2200pF cap; and replace PT for one with proper 350v secondaries. That circuit from Ceriatone is probably running too low of a B+. This would no longer sound '80s though. Would be more modern. '90s hard rock/metal with a higher output, mid-heavy pickup like a Duncan Nazgul.

It's so easy to completely change the voicing of these types of amps to suit one's needs.

In any event, yeah that one will sound less heavy/modern compared to the Aldrich and even a 3 stage + zeners with dual gains. You're gonna get a rounder sound, looser, more wooly and more hair on the gain.
 
I can see why that circuit sounds so stereotypically '80s lol. Not my thing. If I were building that one, I'd make each plate 100K (get rid of the extra 100k and lower the 200k); make the first coupler 0.0022uF and the rest 0.022uF; add the 0.68uF bypass on V3 (maybe); change NFB to 49K/8 ohm; add a depth control with 2200pF cap; and replace PT for one with proper 350v secondaries. That circuit from Ceriatone is probably running too low of a B+. This would no longer sound '80s though. Would be more modern. '90s hard rock/metal with a higher output, mid-heavy pickup like a Duncan Nazgul.

It's so easy to completely change the voicing of these types of amps to suit one's needs.

In any event, yeah that one will sound less heavy/modern compared to the Aldrich and even a 3 stage + zeners with dual gains. You're gonna get a rounder sound, looser, more wooly and more hair on the gain.
I’m just not a fan of the top schematic. How would that have more dynamics than the circuit I drew up?

I understand the first two stages are to be blended but man I like more teeth on my amps.

I too hate low B+. I just don’t like chewy and sag. I have a Mercury Magnetics transformer that was custom wired with 1967 wiring color codes, standup style instead of laydown, paper bobbin instead of plastic, but 520V on the secondary. It will take some gain out of my 4 stage design but add back in some balls for the 4x 6550s to stretch their legs properly without transformer sag.
 
This looks like it could be a cool mod. I was originally going to build this, but when I was having noise issues, I stopped and went for a stock 2204.
Screenshot_20220907_092754_Acrobat for Samsung.jpg
 
This looks like it could be a cool mod. I was originally going to build this, but when I was having noise issues, I stopped and went for a stock 2204.View attachment 134497
There’s no schematic for it and I believe there’s errors. You’d want to trace this out into a schematic and debug it first before attempting to build it again. We can only help you debug so much.
 
I've stayed out of this one to prevent "too many cooks in the kitchen" and you've already got quality mentoring here.

But I want to mention an option of getting the amp to a place you're OK with...then leave it and play it and learn. Then when you have learned more...revisit the amp. This has served me well because I always learn things that help me when I get back to the amp. My first 50w plexi build has been gutted/rebuilt 3x (new boards made by me) and has had 3 power transformers (none failed, just didn't like the voltages). It's a Jose now...and needs another rebuild it looks so bad. :ROFLMAO: And that's just from modding back and forth. You really can chase your tail with these mods.
 
I've stayed out of this one to prevent "too many cooks in the kitchen" and you've already got quality mentoring here.

But I want to mention an option of getting the amp to a place you're OK with...then leave it and play it and learn. Then when you have learned more...revisit the amp. This has served me well because I always learn things that help me when I get back to the amp. My first 50w plexi build has been gutted/rebuilt 3x (new boards made by me) and has had 3 power transformers (none failed, just didn't like the voltages). It's a Jose now...and needs another rebuild it looks so bad. :ROFLMAO: And that's just from modding back and forth. You really can chase your tail with these mods.
Yes, I hear ya! I've built a 50 watt plexi that I love. So I've kept it pretty much stock. I went into this amp with the idea that I'd mess with the circuit, tweaking different things, to learn as much as I could about how different changes affect the overall output. Plus I really enjoy it. I've obviously thought about more gain (cathode/plate changes, 4th stage, etc), to hear and feel the differences.

Since I love the classic plexi tone, as well as the later 80s/early 90s gainier tones, I think the idea of this switchable 1987/2204 could be a neat mod to try. I also love much heavier music, but for my playing style, I think the more classic sounding the better. I have an EVH 5153 and a Friedman JJ style amp that I've built for when I'm in the mood for some more modern heaviness.
 
Yes, I hear ya! I've built a 50 watt plexi that I love. So I've kept it pretty much stock. I went into this amp with the idea that I'd mess with the circuit, tweaking different things, to learn as much as I could about how different changes affect the overall output. Plus I really enjoy it. I've obviously thought about more gain (cathode/plate changes, 4th stage, etc), to hear and feel the differences.

Since I love the classic plexi tone, as well as the later 80s/early 90s gainier tones, I think the idea of this switchable 1987/2204 could be a neat mod to try. I also love much heavier music, but for my playing style, I think the more classic sounding the better. I have an EVH 5153 and a Friedman JJ style amp that I've built for when I'm in the mood for some more modern heaviness.
Yeah I hear you on the more classic sounding Marshalls.

Are you also trying boosts with the mods? When I did my version of the JEL I wanted to be able to just have a stock 2203 so I could boost it with an SD1. That's still probably my favorite tone out of that amp but the tweaked JEL mode is really close.
 
Back
Top