Recto issue, ldrs?

  • Thread starter Thread starter Holy-diver
  • Start date Start date
H

Holy-diver

Well-known member
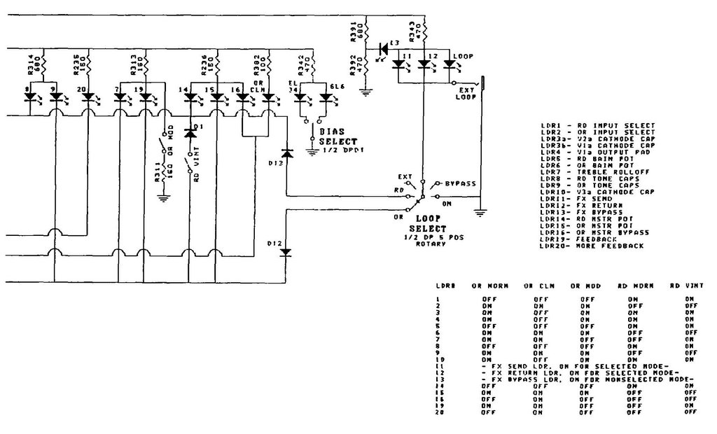
Just got a triple rev g and I had the exact same problem with the tremoverb I just got: when I switch to the orange channel I lose all volume and it just emits farty noises on some notes and basically no output. This exact issue happened but on the red channel of the tremoverb head I recently acquired as well. Ldrs probably?
 
Yeah, most likely. There are a lot of LDRs in the switching matrix of those amps.

boogie-dualrectifier-Page-6.jpg
 
its actually kinda seeming like it might be the gain pot, when i push on it and wiggle it it sort of cuts in, then the channel works with the gain near max. would the channel work on max gain with an ldr problem?
 

Similar threads

Back
Top